emilspec
An Integrated Publishing, Inc. Site
eMilSpec
An Integrated Publishing Website
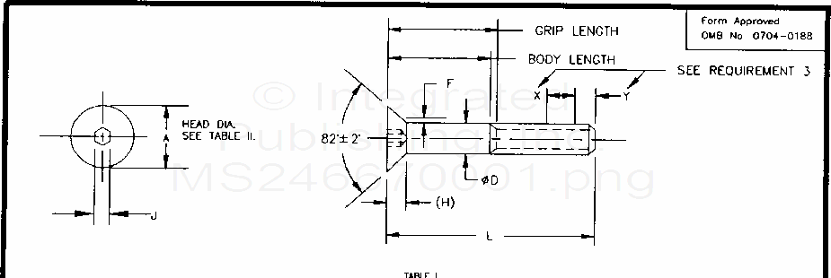
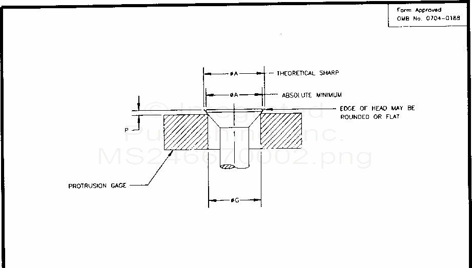
Screw, Cap, Socket Head, Flat Countersunk, 82 Deg., Alloy Steel Unc-3A (S/S By Nasm24667)
For Parts Inquires call
Parts Hangar, Inc
(727) 493-0744
© Copyright 2015 Integrated Publishing, Inc.
A Service Disabled Veteran Owned Small Business