emilspec
An Integrated Publishing, Inc. Site
eMilSpec
An Integrated Publishing Website
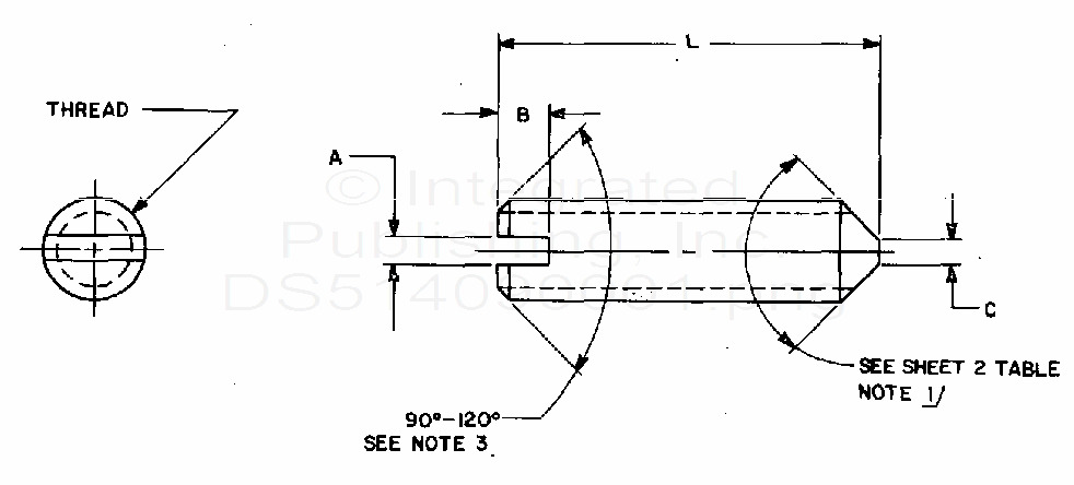
DS51409 Setscrew, Slotted Headless, Cone Point Carbon Steel, Cadmium Plated, Metric
For Parts Inquires call
Parts Hangar, Inc
(727) 493-0744
© Copyright 2015 Integrated Publishing, Inc.
A Service Disabled Veteran Owned Small Business